联系电话:
13581588593
13581588593淬火裂纹是指在淬火过程中或在淬火后的室温放置过程中产生的裂纹。后者又叫时效裂纹。造成淬火开裂的原因很多,在分析淬火裂纹时,应根据裂纹特征加以区分。
一、淬火裂纹的特征
在淬火过程中,当淬火产生的巨大应力大于材料本身的强度并超过塑性变形极限时,便会导致裂纹产生。淬火裂纹往往是在马氏体转变开始进行后不久产生的,裂纹的分布则没有一定的规律,但一般容易在工件的尖角、截面突变处形成。
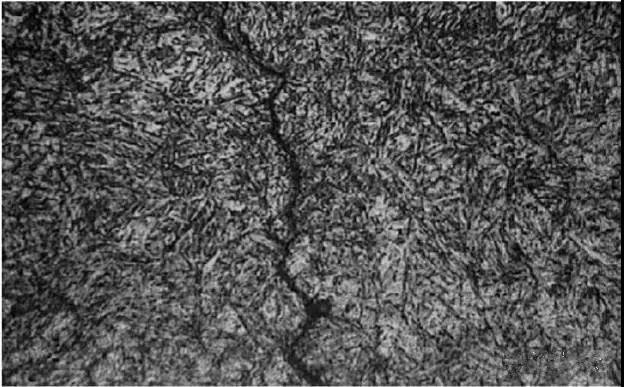
在显微镜下观察到的淬火开裂,可能是沿晶开裂,也可能是穿晶开裂;有的呈放射状,也有的呈单独线条状或呈网状。
因在马氏体转变区的冷却过快而引起的淬火裂纹,往往是穿晶分布,而且裂纹较直,周围没有分枝的小裂纹。
因淬火加热温度过高而引起的淬火裂纹,都是沿晶分布,裂纹尾端尖细,并呈现过热特征:结构钢中可观察到粗针状马氏体;工具钢中可观察到共晶或角状碳化物。
表面脱碳的高碳钢工件,淬火后容易形成网状裂纹。这是因为,表面脱碳层在淬火冷却时的体积胀比未脱碳的心部小,表面材料受心部膨胀的作用而被拉裂呈网状。

二、非淬火裂纹的特征
淬火后发生的裂纹,不一定都是淬火所造成的,可根据下面特征来区分:
淬火后发现的裂纹,如果裂纹两侧有氧化脱碳现象,则可以肯定裂纹在淬火之前就已经存在。淬火冷却过程中,只有当马氏体转变量达到一定数量时,裂纹才有可能形成。与此相对应的温度,大约在250℃以下。在这样的低温下,即使产生了裂纹,裂纹两侧也不会发生脱碳和出现明显氧化。所以,有氧化脱碳现象的裂纹是非淬火裂纹。
如果裂纹在淬火前已经存在,又不与表面相通,这样的内部裂纹虽不会产生氧化脱碳,但裂纹的线条显得柔软,尾端圆秃,也容易与淬火裂纹的线条刚健有力,尾端尖细的特征区别开来。
地址:北京市门头沟区上园路甲10号院 洪源智能工坊807室 座机:010-88820040-8002 邮箱:[email protected]